Self Aligning Ball Bearing 2204 ETN9
Self-aligning ball bearings have two rows of balls, a common sphered raceway in the outer ring and two deep uninterrupted raceway grooves in the inner ring. They are insensitive to angular misalignment of the shaft relative to the housing, which can be caused, for example, by shaft deflection.
- Accommodate static and dynamic misalignment
- Excellent high-speed performance
- Excellent light load performance
- Low friction
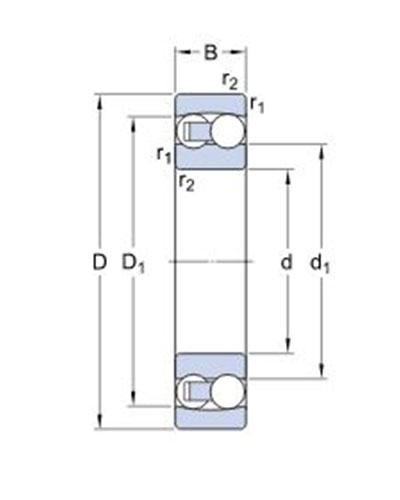
| d | 20 mm | Bore diameter |
| D | 47 mm | Outside diameter |
| B | 18 mm | Width |
| d1 | ≈ 27.37 mm | Shoulder diameter inner ring |
| D1 | ≈ 40 mm | Shoulder diameter outer ring |
| r1,2 | min.0.6 mm | Chamfer dimension |
| Bore diameter | 20 mm |
| Outside diameter | 47 mm |
| Width | 18 mm |
| Basic dynamic load rating | 16.8 kN |
| Basic static load rating | 4.15 kN |
| Reference speed | 28 000 r/min |
| Limiting speed | 20 000 r/min |
| Retaining feature, inner ring | None |
| Locating feature, bearing outer ring | None |
| Number of rows | 2 |
| Bore type | Cylindrical |
| Cage | Non-metallic |
| Radial internal clearance | CN |
| Tolerance class | Normal |
| Material, bearing | Bearing steel |
| Coating | Without |
| Sealing | Without |
| Lubricant | None |
| Relubrication feature | Without |
