Deep Groove Ball Bearing 6303 (Single row)
Single row deep groove ball bearings are particularly versatile, have low friction and are optimized for low noise and low vibration, which enables high rotational speeds. They accommodate radial and axial loads in both directions, are easy to mount, and require less maintenance than many other bearing types.
- Simple, versatile and robust design
- Low friction
- High-speed capability
- Accommodate radial and axial loads in both directions
- Require little maintenance
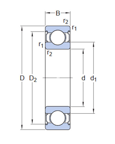
| d | 17 mm | Bore diameter |
| tΔdmp | -0.007 – 0 mm | Deviation limits of mid-range bore diameter |
| D | 47 mm | Outside diameter |
| tΔDmp | -0.009 – 0 mm | Deviation limits of mid-range outside diameter |
| B | 14 mm | Width |
| tΔBs | -0.06 – 0 mm | Deviation limits of ring width |
| d1 | ≈26.52 mm | Shoulder diameter |
| D2 | ≈39.58 mm | Recess diameter |
| r1,2 | min.1 mm | Chamfer dimension |
| P6 and tighter width tolerance | ISO tolerance class for dimensions |
| Bore diameter | 17 mm |
| Outside diameter | 47 mm |
| Width | 14 mm |
| Basic dynamic load rating | 14.3 kN |
| Basic static load rating | 6.55 kN |
| Reference speed | 34 000 r/min |
| Limiting speed | 22 000 r/min |
| Filling slots | Without |
| Number of rows | 1 |
| Locating feature, bearing outer ring | None |
| Bore type | Cylindrical |
| Cage | Sheet metal |
| Matched arrangement | No |
| Radial internal clearance | CN |
| Material, bearing | Bearing steel |
| Coating | Without |
| Sealing | Without |
| Lubricant | None |
| Relubrication feature | Without |
