Cylindrical Roller Bearings NUP 205 ECP (Single row)
Single row cylindrical roller bearings are designed to accommodate high radial loads in combination with high speeds. Having two integral flanges on the outer ring and one integral flange and one loose flange ring on the inner ring, NUP design bearings can locate the shaft axially in both directions. An important feature is the separable design, which facilitates mounting and enables the bearing components to be interchanged.
- High radial load carrying capacity
- Low friction
- Long service life
- Locate the shaft axially in both directions
- Separable design
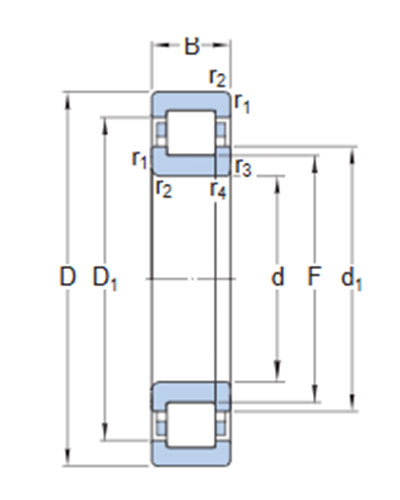
| d | 25 mm | Bore diameter |
| D | 52 mm | Outside diameter |
| B | 15 mm | Width |
| d1 | 34.7 mm | Shoulder diameter of inner ring |
| D1 | ≈ 43.3 mm | Shoulder diameter of outer ring |
| F | ≈ 31.5 mm | Raceway diameter of inner ring |
| r1,2 | min.1 mm | Chamfer dimension |
| r3,4 | min.0.6 mm | Chamfer dimension of loose flange ring |
| Bore diameter | 25 mm |
| Outside diameter | 52 mm |
| Width | 15 mm |
| Basic dynamic load rating | 32.5 kN |
| Basic static load rating | 27 kN |
| Reference speed | 15 000 r/min |
| Limiting speed | 16 000 r/min |
| Bearing part | Complete bearing |
| Axial displacement capability | None |
| Number of rows | 1 |
| Locating feature, bearing outer ring | None |
| Bore type | Cylindrical |
| Cage | Non-metallic |
| Number of flanges, outer ring | 2 |
| Number of flanges, inner ring | 1 |
| Loose flange | Inner ring loose flange |
| Radial internal clearance | CN |
| Tolerance class | Normal |
| Coating | Without |
| Sealing | Without |
| Lubricant | None |
| Relubrication feature | Without |
