Angular Contact Ball Bearing 7212 BEP (Single row)
These single row angular contact ball bearings can accommodate radial and axial loads acting simultaneously, where the axial load acts in one direction only. They can operate at high speeds and, depending on the variant, even very high speeds. They are more suitable than deep groove ball bearings for supporting large axial forces acting in one direction.
- High-speed capability
- Accommodate relatively high radial loads and large unilateral axial loads
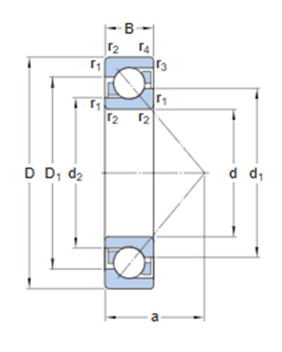
| d | 60 mm | Bore diameter |
| D | 110 mm | Outside diameter |
| B | 22 mm | Width |
| d1 | ≈ 79.6 mm | Shoulder diameter of inner ring (large side face) |
| d2 | ≈ 69.32 mm | Shoulder diameter of inner ring (small side face) |
| D1 | ≈ 91.55 mm | Shoulder diameter of outer ring (large side face) |
| a | 47 mm | Distance side face to pressure point |
| r1,2 | min. 1.5 mm | Chamfer dimension |
| r3,4 | min.1 mm | Chamfer dimension |
| Bore diameter | 60 mm |
| Outside diameter | 110 mm |
| Width | 22 mm |
| Contact angle | 40 ° |
| Basic dynamic load rating | 57.2 kN |
| Basic static load rating | 45.5 kN |
| Reference speed | 7 000 r/min |
| Limiting speed | 7 000 r/min |
| Contact type | Normal contact (two-point contact) |
| Number of rows | 1 |
| Locating feature, bearing outer ring | None |
| Ring type | One-piece inner and outer rings |
| Cage | Non-metallic |
| Matched arrangement | No |
| Universal matching bearing | No |
| Axial internal clearance | Not applicable |
| Tolerance class | Normal |
| Material, bearing | Bearing steel |
| Coating | Without |
| Sealing | Without |
| Lubricant | None |
| Relubrication feature | Without |
