Angular Contact Ball Bearing 3205 A-2ZTN9/MT33 (Double row)
Double row angular contact ball bearings, with seals or shields, correspond to a pair of single row angular contact ball bearings in a back-to-back arrangement, while requiring less axial space. Depending on the sealing execution, they can operate at high speeds and are more suitable than deep groove ball bearings for supporting large axial forces in both directions.
- High-speed capability
- Accommodate relatively high radial loads, high axial loads in both directions and tilting moments
- Suitable where a stiff bearing arrangement is required
- Require less axial space than equivalent pair of single row angular contact ball bearings
- Integral sealing prolongs bearing service life
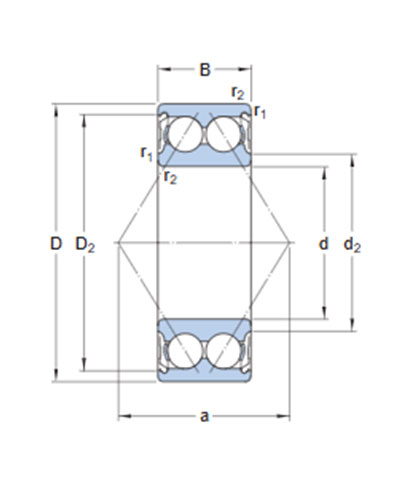
| d | 25 mm | Bore diameter |
| D | 52 mm | Outside diameter |
| B | 20.6 mm | Width |
| d2 | ≈ 32.7 mm | Recess diameter inner ring shoulder |
| D2 | ≈ 45.9 mm | Recess diameter outer ring shoulder |
| r1,2 | min.1 mm | Chamfer dimension inner ring |
| a | 30 mm | Distance pressure point(s) |
| Bore diameter | 25 mm |
| Outside diameter | 52 mm |
| Width | 20.6 mm |
| Contact angle | 30 ° |
| Basic dynamic load rating | 22 kN |
| Basic static load rating | 15.3 kN |
| Reference speed | 12 000 r/min |
| Limiting speed | 12 000 r/min |
| Contact type | Normal contact (two-point contact) |
| Number of rows | 2 |
| Locating feature, bearing outer ring | None |
| Ring type | One-piece inner and outer rings |
| Cage | Non-metallic |
| Arrangement of contact angle (double-row bearing) | Back-to-back (O) |
| Matched arrangement | No |
| Universal matching bearing | No |
| Axial internal clearance | CN |
| Material, bearing | Bearing steel |
| Coating | Without |
| Sealing | Without |
| Lubricant | None |
| Relubrication feature | Without |
