| Series | Medium-Duty |
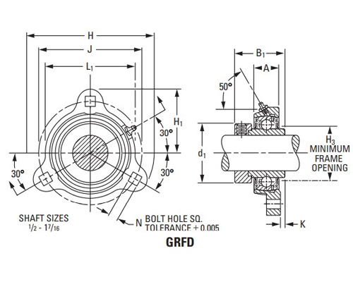
| Shaft Size d | 1/2 in |
| Bearing Number | G1008KRRB |
| Housing Construction | Three-Bolt Square Flange |
| Alternate Part Name | RFD 1/2 |
| Total Length H | 81 mm 3.188 in |
| Housing Width A | 17.5 mm 0.688 in |
| Flange Thickness A1 | 9.5 mm 0.375 in |
| Bolt Hole Spacing | 63.5 mm 2.5 in |
| Bolt Hole Size N | 7.1 mm 0.281 in |
| Dimension K | 4.4 mm 0.172 in |
| Dimension B1 | 37.3 mm 1.469 in |
| Dimension S1 | 23.4 mm 0.921 in |
| Dimension d1 | 28.6 mm 1.126 in |
| Bolt Size | M12 |
| Static Load Rating | 4700 N 1070 lbf |
| Dynamic Load Rating | 10700 N 2380 lbf |
