| Series | Industrial |
| Shaft Size d | 1/2 in |
| Bearing Type | Ball Bearing |
| Bearing Number | GY1008KRRB |
| Seal Type | Shroud Seal |
| Housing Construction | Two-Bolt Pillow Block |
| Housing Construction | YAK1/2 |
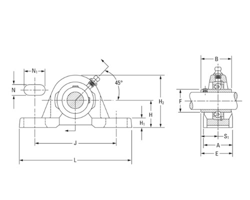
| Base to Center Height H | 26.99 mm 1.063 in |
| Total Length L | 123.8 mm 4.874 in |
| Total Width A | 30.2 mm 1.189 in |
| Bolt Hole Spacing J | 92.1 mm 3.626 in |
| Bolt Hole Width N | 11.1 mm 0.437 in |
| Bolt Hole Length N1 | 22.2 mm 0.874 in |
| Foot Height H1 | 8.7 |
| Total Height H2 | 53.2 mm 2.094 in |
| Inside Ring Width B | 27.38 mm 1.078 in |
| Dimension S1 | 15.88 mm 0.625 in |
| Dimension F | 22.86 mm 0.9 in |
| Static Load Rating | 4700 N 1070 lbf |
| Dynamic Load Rating | 10700 N 2380 lbf |
