| Series | Standard |
| Shaft Size d | 20 mm |
| Bearing Number | GYAE20RRB |
| Seal Type | Molded Shroud |
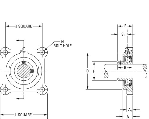
| Housing Construction | Four-Bolt Square Flange |
| Alternate Part Name | SCJ 20 |
| Total Length L | 85.7 mm 3.374 in |
| Housing Width A | 19 mm 0.748 in |
| Bolt Hole Spacing | 63.5 mm 2.5 in |
| Bolt Hole Size N | 10 mm 0.394 in |
| Flange Thickness A1 | 11.1 mm 0.437 in |
| Center of Bearing from Housing End A2 | 10.3 mm 0.406 in |
| Inside Ring Width B | 27 mm 1.063 in |
| Dimension S1 | 18.14 mm 0.714 in |
| Dimension D | 60.3 mm 2.374 in |
| Dimension E | 28.6 mm 1.126 in |
| Dimension F | 29 mm 1.142 in |
| Bolt Size | M10 |
| Static Load Rating | 6500 N 1460 lbf |
| Dynamic Load Rating | 14200 N 3190 lbf |
